Zum Hauptinhalt springen Zur Suche springen Zur Hauptnavigation springen
🔑 Neu: Bestellen Sie Nachschlüssel im KBV Eigenprofil jetzt ganz einfach online!

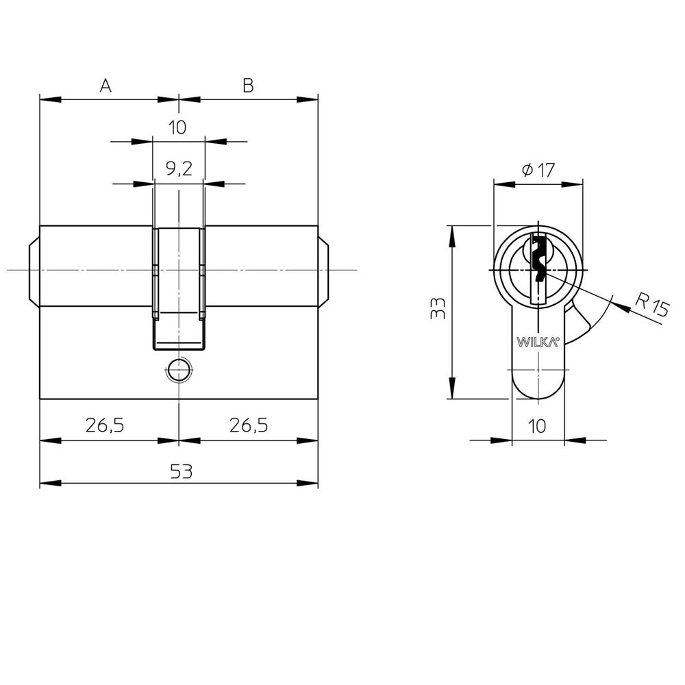
Profilzylinder CARAT S4 mit Sicherungskarte Länge: 26,5/26,5 mm / gleichschließend

Details zu "Profilzylinder CARAT S4 mit Sicherungskarte Länge: 26,5/26,5 mm / gleichschließend"

• WILKA Profilzylinder CARAT S4 mit Sicherungskarte
• ohne Not- und Gefahrenkunktion
• gleichschließend
• Länge: 26,5/26,5 mm
• gemäß DIN 18252 und DIN EN 1303
• Patentschutz bis 2036
• mit je 3 Neusilberschlüssel (neues Schlüsseldesign zur Verwendung mit gängigen Sicherheitsbeschlägen)
• 5 Stiftzuhaltungen
• Spezial-Hantelstifte als Pickingwiderstand
• 1 Gehäusestift aus gehärtetem Stahl als Anbohrschutz
• parazentrisches Schlüsselprofil gegen unbefugtes Öffnen mit Sperrwerkzeugen
• Zylinder in Messing matt-vernickelt
• mit M5-Zylinderbefestigungsschraube
• KBV Artikelnummer: 17411
Datenblätter
WILKA Schließtechnik GmbH

Mettmanner Str. 58 – 64
42549 Velbert
Deutschland

Tel.: +49 2051 2081-0
Mail: info@wilka.de

Maßgeblich für die Länge des Profilzylinders ist die Dicke der Tür, zuzüglich der Stärke des Innen- und Außenbeschlages bzw. der Innen- und Außenrosette. Am besten bauen Sie den alten Profilzylinder aus der Tür aus, um diesen zu vermessen. Dazu drehen Sie mit einem Schraubenzieher die sogenannte Stulpschraube aus, die sich unterhalb des Riegels befindet.

Danach stecken Sie den Schlüssel in das alte Schloss und drehen diesen etwa 1/4 Umdrehung nach links oder nach rechts. Nun können sie den alten Profilzylinder ganz einfach am Schlüssel aus dem Schlosskasten ziehen.

Sollten Sie einen asymetrischen Profilzylinder durch einen Neuen ersetzen wollen, empfehlen wir, dass Sie sich merken, welche Seite des Zylinders nach außen (vom Haus oder der Wohnung weg) zeigte. Das ist deshalb wichtig, weil bei der Ermittlung des Größe des neuen Profilzylinders die Innen- und Außen-Längen wieder passen sollen. Aus Gründen des Einbruch-Schutzes sollten die Profilzylinder auf der Außenseite nicht aus dem Beschlag hinaus ragen. Bei Verwendung eines Kernziehschutzes muss dieser noch in der Lage sein, den neuen Zylinder abzudecken.

Bei asymetrischen Profilzylindern wird zwischen "Länge innen" und "Länge Außen" unterschieden. Sie können sich einfach an der Risszeichnung (Maß A und B) orientieren, die Teil der Bilderstrecke dieses Profilzylinders ist.

Bei asymmetrischen Zylindern merken Sie sich bitte die Außenseite des Zylinders, damit der mögliche Bohr- und Ziehschutz auf der richtigen Zylinderseite eingebaut wird. Symmetrische Zylinder (Maß A = B) können in beide Richtungen eingebaut werden.

Bei der Bestellung Ihres Profilzylinders werden sie in unserem Shop vor die Wahl zwischen "gleichschließend" und "verschiedenschließend" gestellt.

Dabei bedeutet "gleichschließend", dass Sie mit einem Schlüssel mehrere Profilzylinder aufschließen können. Das macht Sinn, wenn Sie mehrere Profilzylinder bestellen, die alle mit den gleichen Schlüsseln geöffnet und verschlossen werden sollen.

"Verschiedenschließend"
bedeutet, dass die mitgelieferten Schlüssel nur jeweils auf einen einzigen Profilzylinder passen. Diese Schlüssel sind also einmalig nur für den bestellten Zylinder gefertigt. Wenn Sie nur einen Profilzylinder bestellen, sind die mitgelieferten Schlüssel naturgemäß auch nur für den Zylinder passend. Es ist in dem Fall egal, ob Sie "gleichschließend" oder "verschiedenschließend" auswählen. Anders verhält es sich, wenn Sie mehrere Profilzylinder bestellen und dabei "verschiedenschließend" auswählen. In dem Fall funktioniert jeder gelieferte Zylinder nur mit den dazugehörigen Schlüsseln.

Die Not- und Gefahrenfunktion sorgt bei einem Profil-Doppelzylinder dafür, dass der Zylinder mit einem Schlüssel geöffnet oder geschlossen werden kann, wenn innen bereits ein Schlüssel steckt - selbst wenn dieser schon gedreht wurde.  Derartige Profil-Doppelzylinder erfüllen dann die DIN 18252.

Diese Funktion ist ein wichtiges Sicherheits-Feature, weil dadurch gewährleistet werden kann, dass man zu hilflosen eingeschlossenen Person gelangt bzw. nach einem versehentlichen Aussperren eine Tür wieder von außen mit einem Zweitschlüssel öffnen kann.

Zu fast allen Profilzylindern aus unserem Sortiment können wir Ihnen Mehrschlüssel anbieten. Diese Mehrschlüssel werden in unserer eigenen Werkstatt passend zu den von Ihnen bestellten Zylindern angefertigt. Wir empfehlen, nach dem Kundenlogin in der Artikel-Detailansicht unter der Rubrik "Passende Produkte mitbestellen" die benötigte Anzahl an Mehrschlüsseln für Ihre(n) Zylinder direkt mit in den Warenkorb zu legen. Dies ist deutlich günstiger, als einen Nachschlüssel für bereits gelieferte Zylinder zu beauftragen.


Nachschlüssel können wir prinzipiell auf Anfrage ebenfalls liefern. Hierzu benötigen wir von Ihnen jedoch detaillierte Angaben/Nachweise zum Code, damit dieser Schlüssel von uns bzw. vom Hersteller des Zylinders nachgefertigt werden kann. Senden Sie uns hierfür gerne eine Anfrage über unser Kontaktformular

Wir bieten unseren in unserem Onlineshop sowohl fertig konfigurierte Knaufzylinder, als auch frei konfigurierbare Knaufzylinder an. Dies ist uns möglich, weil unsere Werkstatt über die Möglichkeit verfügt, nach Ihrer Bestellung Ihre Wunsch-Knaufzylinder nach Ihren Vorgaben zu montieren.

Wenn Sie sich einen Überblick über alle von uns angebotenen Knaufzylinder verschaffen möchten, geben Sie einfach das Suchwort "Knaufzylinder" in das Feld "Suchbegriff oder Artikelnummer ..."(mittig am oberen Bildschirmrand unseres Onlineshops) ein. Ihnen werden dann alle von uns angebotenen Knaufzylinder übersichtlich aufgelistet. Darunter sind auch verschiedene Profilzylinder, die wir für Sie mit einem Knauf ausstatten können. Sie erkennen diese Profilzylinder an dem blau unterlegten Hinweis "mit Knauf konfigurierbar".

So konfigurieren Sie Ihren Wunsch-Knaufzylinder

  • Loggen Sie sich zunächst mit Benutzernamen und Passwort in unserem Shop ein.
  • Danach geben Sie "Knaufzylinder" ins Suchfeld ein.
  • Wählen Sie nun den gewünschten Profilzylinder aus, der "mit Knauf konfigurierbar" gekennzeichnet ist.
  • Treffen Sie Ihre Wahl bei "Länge A" und Länge B" sowie bei der "Schließung".
  • Direkt darunter finden Sie das Feld "Passende Produkte mitbestellen". Dort wird Ihnen angezeigt, welche Knaufzylinder-Montage bei dem vorausgewählten Profilzylinder möglich ist.
  • Bei gleichschenkeligen Profilzylindern (Länge A = Länge B) wird Ihnen nur ein Knaufzylinder zur Auswahl angeboten, da es ja unerheblich ist, an welcher Seite er montiert wird. Bei verschiedenschenkeligen Profilzylindern müssen Sie Ihre Wahl treffen und entweder den Knauf für Montage an der "kurzen Seite" oder an der "langen Seite" wählen. Sie treffen hier Ihre Wahl, indem Sie entweder direkt in das Kästchen klicken, in dem die "0" steht und eine "1" eintragen, oder einmal auf das "+" rechts neben dem Kästchen klicken. Bitte beachten Sie, dass Sie die Anzahl der Knaufe jeweils an die Anzahl der Profilzylinder anpassen müssen, wenn Sie mehrere gleiche Knaufzylinder bestellen. Im Warenkorb können Sie Ihre Auswahl darauf hin noch einmal überprüfen.

In Abhängigkeit vom Profilzylinder wird in Einzelfällen eventuell kein Knauf zur Auswahl angeboten. Dies ist jedoch nur bei sehr kurzen Schenkellängen so, da dann aus technischen Gründen eine Knaufmontage nicht möglich ist. Es kann jedoch sein, dass Sie den gewünschten Knaufzylinder dennoch unter unseren angebotenen fertigen Knaufzylindern finden.