Zum Hauptinhalt springen Zur Suche springen Zur Hauptnavigation springen
🔑 Neu: Bestellen Sie Nachschlüssel im KBV Eigenprofil jetzt ganz einfach online!

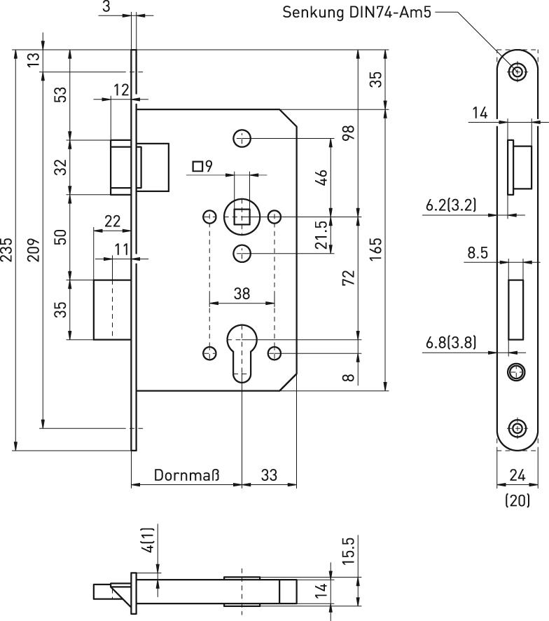
FH-Antipanik-Schloss m. 1-teil. Drückernuss / DRS/ Nr. 1013PZW / 72 mm / 9 mm / 65 Dorn / 24 mm Stulp

Details zu "FH-Antipanik-Schloss m. 1-teil. Drückernuss / DRS/ Nr. 1013PZW / 72 mm / 9 mm / 65 Dorn / 24 mm Stulp"

• Panik-Wechselfunktion "E" (durchgehender 9 mm Drückernuss)
• 72 mm Entfernung
• 65 mm Dorn
• nach DIN EN 179 und DIN EN 1125
• Klassifizierung: nach EN 12209 für Feuer- und Rauchschutztüren
• PZW mit Wechsel
• 2-tourig
• geschlossener verzinkter Schlosskasten
• Stulp Stahl verzinkt
• Stulp-Abmessung 235 x 24 x 3 mm
• Kastenhöhe: 165 mm
• Kastenbreite: ca. 95 mm
• mit geräuschgedämmpfter Verbundfalle (Fallenschräge aus Kunststoff, Fallenrücken aus Stahl)
• KBV Artikelnummer: 78255
Datenblätter
BMH

Beyer & Müller GmbH & Co. KG
Am Lindenkamp 55
42549 Velbert

Telefon: + 49 (0) 20 51 / 4232 – 0
Telefax: + 49 (0) 20 51 / 4232 – 44
E-Mail: info@beyer-und-mueller.de
https://www.beyer-und-mueller.de

Funktionen von innen (Gefahrenseite):
Die Tür hat auf der Gefahrenseite einen Drücker. Durch Drückerbetätigung im Panikfall werden die Falle und der vorgeschlossene Riegel zurückgezogen. Die Tür kann geöffnet werden. Im entriegelten Zustand kann die Falle mit dem Türdrücker oder dem Schlüssel zurückgezogen werden. Mit dem Schlüssel wird das Schloss verriegelt und entriegelt.

Funktionen Außenseite:
Die Tür hat außen einen feststehenden Knauf. Falle und Riegel können mit dem Schlüssel betätigt werden. Nach dem Zuschlagen der Tür wird das Öffnen von außen durch die Falle verhindert. Die Tür kann nur mit einem Schlüssel geöffnet werden. Dabei wird die Falle mit Hilfe des Wechsels zurückgezogen. Durch Schlüsselbetätigung kann die Tür zusätzlich ver- und entriegelt werden.

Funktionen von innen (Gefahrenseite):
Die Tür hat innen einen Drücker. Durch Drückerbetätigung im Panikfall werden die Falle und der vorgeschlossene Riegel im zurückgezogen. Die Tür kann geöffnet werden. Durch Zuschlagen der Tür ist diese von außen gesichert (nicht verriegelt, Außendrücker auf Leerlauf).

Funktionen Außenseite:
Die Tür hat außen einen Drücker. Durch 2-maliges Zurückschließen des Riegels entsteht die Funktion "Durchgang". Die Tür ist immer begehbar. Durch 1-maliges oder 2-maliges Verschließen des Riegels entsteht die Funktion "Abschluss". Die Tür ist nur mit dem Schlüssel begehbar. Empfehlenswert ist, den Riegel 2-mal vorzuschließen. Bei 1-maligem Vorschließen des Riegels ist die Tür noch nicht verriegelt, sondern nur durch die Falle gesichert.

Funktionen von innen (Gefahrenseite):
Die Tür hat innen einen Drücker. Durch Drückerbetätigung im Panikfall werden die Falle und der vorgeschlossene Riegel zurückgezogen. Die Tür kann geöffnet werden.

Funktionen Außenseite:
Die Tür hat außen einen Drücker. Durch den Drücker kann die Falle zurückgezogen werden. Die Tür ist durch Zuschlagen von außen noch nicht gesichert. Zur Sicherung der Tür ist die Verriegelung mit Hilfe des Schlüssels erforderlich. Zum Öffnen der Tür muss mit Hilfe des Schlüssels entriegelt und durch Drückerbetätigung die Falle zurückgezogen werden.

Produktgalerie überspringen
Ausführung wählbar
FH-Sicherheitskurzschildwechselgarnitur / ES1 / F1 Nr. 76400 / 72 mm / 11 mm stark / 9 mm
Farbe: F1 eloxiert | Ausführung: gelocht & außen mit Knopf
Ausführung wählbar
FH-Sicherheitskurzschildwechselgarnitur / ES1 Nr. 76402 Edelstahl / 72 mm / 11 mm / 9 mm
Farbe: Edelstahl | Ausführung: gelocht & außen mit Knopf